

CZ93-K3
Designación |
Modelo NO. |
Descripción |
① Tipo |
CZ-93 |
Interruptor de seguridad |
②Tipo de bloques de contacto fitted |
B |
2B(2NC) |
C |
1A1B(1NC/1NO) |
|
③Tamaño del conducto/conector |
PG |
PG 13.5XP1.5( 公制牙 ) |
PM |
M20X1.5 |
|
④Llaves de accionamiento |
Ninguno |
Ninguno |
01 |
Horizontal |
|
02 |
900 Vertical |
|
03 |
Ajustable |
NOTA: El tamaño predeterminado del conector de conducto es M20x1.5.
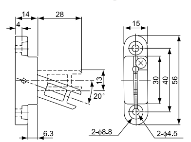
Apariencia y Dimensión
Mecanismo de desconexión forzada
Cuando el bloque de contacto se incendia, presione en el centro de la estructura de la llave,
la estructura de salida estricta NC puede empujar el bloque de contacto para cortar el
movimiento.
Calificaciones
Voltaje nominal |
Carga no inductiva (A) |
Carga inductiva (A) |
||||||
Carga de resistencia |
Carga de lámpara |
Carga inductiva |
Carga del motor |
|||||
NC |
NO |
NC |
NO |
NC |
NO |
NC |
NO |
|
125 VCA |
10 |
3 |
1.5 |
10 |
5 |
2.5 |
||
250 VCA |
10 |
2 |
1 |
10 |
3 |
1.5 |
||
400 VCA |
10 |
1.5 |
0,8 |
3 |
1.5 |
0,8 |
||
8 VDC |
10 |
6 |
3 |
10 |
6 |
6 |
||
14 VDC |
10 |
6 |
3 |
10 |
6 |
6 |
||
30 VDC |
6 |
4 |
3 |
6 |
4 |
4 |
||
125 VDC |
0,8 |
0,2 |
0,2 |
0,8 |
0,2 |
0,2 |
||
250 VDC |
0,4 |
0,1 |
0,1 |
0,4 |
0,1 |
0,1 |
Clasificación |
3A 240VAC (A300) |
Velocidad de operación |
0.1m~0.5m/s |
Frecuencia de operación |
30 operaciones/min |
Resistencia de contacto |
25mΩ máx. (inicial) |
Resistencia de aislamiento |
100mΩ mín. (a 500VDC) |
Tensión nominal de aislamiento (UI) |
400V |
Resistencia dieléctrica |
AC2500V/Umip 4KV |
Vibración |
De 10 a 55 Hz, amplitud doble de 1,5 mm |
Choque |
Mecánico: Aprox. 1000m/s2 (Aprox. 100G'S) Eléctrico: Aprox. 300m/s2 (Aprox. 30G'S) |
Temperatura ambiente |
Uso: -20~+70℃ (Sin hielo) |
Humedad ambiental |
< 95% de humedad relativa |
Vida eléctrica |
150,000 operaciones/min. |
Nivel de protección |
IP65 (Norma IEC) |
Características de funcionamiento
Fuerza de inserción de la llave |
14.7N(1,500gf) |
Fuerza de extracción de la llave |
29.42N (3,000gf) |
Previaje |
6 ± 3 mm |
Recorrido total |
(28mm) |
Fuerza requerida para tener positivo |
58.84N (6,000gf) |
Recorrido de apertura positiva |
10mm |


