

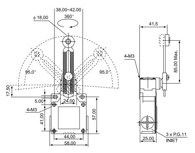
CSA-031
◼ Tipo de interruptor de límite de doble circuito
◼ Alta resistencia mecánica, compuesta de plástico intensivo y
aluminio fundido
◼ Construcción a prueba de agua y aceite
◼ La caja de contacto incorporada tiene doble resorte y larga vida mecánica
◼ Operación suave con mayor distancia de sobrecarrera
◼ Varios actuadores para diferentes aplicaciones
Clasificaciones
Voltaje nominal |
Carga no inductiva (A) |
Carga inductiva (A) |
||||||
Carga de resistencia |
Carga de lámpara |
Carga inductiva |
Carga de motor |
|||||
NC |
NO |
NC |
NO |
NC |
NO |
NC |
NO |
|
125VAC 250VAC
|
5
|
5
|
1.5
|
0.7 0.5
|
3
|
3
|
2
|
1
|
8VDC |
5 |
5 |
3 |
3 |
5 |
4 |
3 |
3 |
14VDC |
5 |
5 |
3 |
3 |
4 |
4 |
3 |
3 |
30VDC |
5 |
5 |
3 |
3 |
4 |
4 |
3 |
3 |
125VDC |
0.4 |
0.4 |
||||||
250VDC |
0.2 |
0.2 |
||||||
Corriente de arranque |
N.C: por debajo de 24A, N.O: por debajo de 12A |
NOTAS: 1. La carga inductiva tiene un factor de potencia mínimo de 0.4 (AC) y una constante de tiempo máxima de 7 msec. (DC).
2. La carga de lámpara tiene una corriente de arranque de 10 veces la corriente en estado estable, mientras que la carga del motor tiene una corriente de arranque de 6 veces la corriente en estado estable.
3. Producto con resorte, su rango utilizable de la parte operativa está dentro de un tercio de la longitud total del resorte desde el extremo frontal del resorte.
Velocidad de operación |
5mm-0.5m/s |
Frecuencia de operación |
Eléctrico: 30 operaciones/minuto |
Resistencia de contacto |
25mΩ máx. (valor inicial) |
Resistencia de aislamiento |
100mΩ min. (por debajo de 500VDC) |
Rigidez dieléctrica |
1000VAC, 50/60 Hz durante 1 minuto entre terminales de la misma polaridad |
1500VAC, 50/60 Hz durante 1 minuto entre partes metálicas que llevan corriente y las que no la llevan |
|
1500VAC, 50/60 Hz durante 1 minuto entre cada terminal y tierra |
|
Vibración |
10-55Hz, amplitud doble de 1.5mm |
Choque |
Durabilidad mecánica: 1,000m/Sec2 (aproximadamente 100G'S) Malfuncionamiento: 300m/Sec2 (aproximadamente 30G'S) |
Temperatura ambiente |
Uso: -20~+70℃ (sin formación de hielo) |
Humedad |
<95% HR |
Vida eléctrica |
500,000 operaciones por encima de |
Grado de protección |
IP65 |
Características de operación
Modelo |
CSA |
CSA-001 |
CSA-003 |
CSA-012 |
CSA-021 CSA-021M |
CSA-041 |
CSA-031 CSA-031M |
CSA-051 |
CSA-061 |
CSA-071 |
CSA-081 |
Fuerza de operación |
FO (Máx.) |
800g |
800g |
800g |
400g |
400g |
400g |
400g |
150g |
150g |
150g |
Fuerza de liberación |
FL (Min.) |
400g |
400g |
400g |
100g |
100g |
100g |
100g |
50g |
50g |
50g |
Pre-viaje |
PT (Máx.) |
1.8mm |
1.8mm |
1.8mm |
20° |
20° |
20° |
20° |
30mm |
30mm |
30mm |
Posición de disparo |
TP ±10% |
2.0mm |
2.0mm |
2.0mm |
22.5° |
22.5° |
22.5° |
22.5° |
22.5° |
22.5° |
22.5° |
Diferencial de movimiento |
MD (Máx.) |
1.2mm |
1.2mm |
1.2mm |
10° |
10° |
10° |
10° |
14° |
14° |
14° |
Sobrecarrera |
OT (Min.) |
4,0 mm |
4,0 mm |
4,0 mm |
75° |
75° |
75° |
75° |
20 mm |
20 mm |
20 mm |
Recorrido total |
TT (Min.) |
5,8 mm |
5,8 mm |
5,8 mm |
95° |
95° |
95° |
95° |
50 mm |
50 mm |
50 mm |
Indexación rotativa |
|
|
|
|
22.5° |
22.5° |
22.5° |
22.5° |
|
|
|