

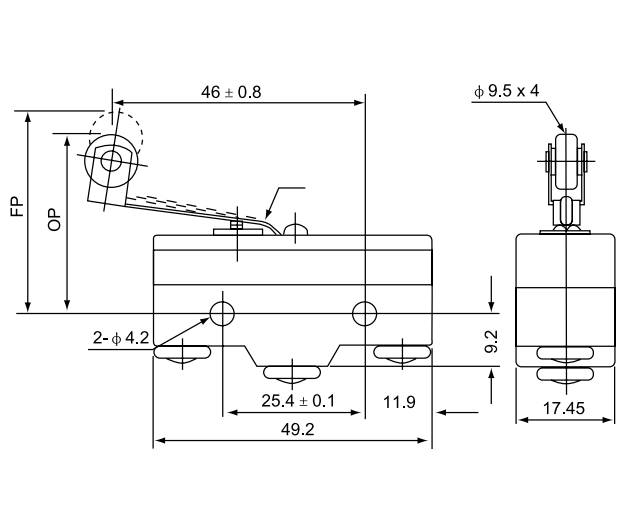
CM-1303NM
◼ Carcasa de plástico de ingeniería para construcción resistente
◼ Varios actuadores y algunos con posición de operación ajustable (como
CM1701N)
◼ Alta precisión y amplio rango de velocidad de operación
Clasificaciones
Voltaje nominal |
Carga no inductiva (A) |
Carga inductiva (A) |
Corriente de arranque (A) |
|||||||
Carga de resistencia |
Carga de lámpara |
Carga inductiva |
Carga de motor |
|||||||
NC |
NO |
NC |
NO |
NC |
NO |
NC |
NO |
NC |
NO |
|
125VAC
|
15
|
3
|
1.5
|
15
|
5
|
2.5
|
30
|
15
|
||
8VDC
|
15
|
3
|
1.5
|
15
|
5
|
2.5
|
Velocidad de operación |
0.05mm-1m/s (tipo de émbolo) |
Frecuencia de operación |
Eléctrico: 20 operaciones/min. |
Resistencia de contacto |
15mΩ máx. (valor inicial) |
Resistencia de aislamiento |
100mΩ min. (a 500VDC) |
Rigidez dieléctrica |
1000VAC, 50/60 Hz durante 1 minuto entre terminales de la misma polaridad |
1500VAC, 50/60 HZ durante 1 minuto entre partes metálicas que transportan corriente y las que no |
|
1500VAC, 50/60 HZ durante 1 minuto entre cada terminal y tierra |
|
Vibración |
(*10 a 20Hz): 1.5 Duración de la acción de amplitud de vibración: 10 a 55Hz |
Choque |
Durabilidad mecánica: 1,000m/Sec2 (aproximadamente 100G'S)
|
Temperatura ambiente |
Uso: -20~+70℃ (sin hielo) |
Humedad |
Tipo de propósito general: máx. 85% de humedad relativa, tipo sellado: máx. 95% de humedad relativa. |
Vida eléctrica |
500,000 operaciones por encima |
Peso |
Aproximadamente de 22 a 58g |
Características de operación
Modelos |
CM1300N |
CM1301N |
CM1303N CM1303NM |
CM1305N |
CM1306N |
CM1307N |
CM1308N CM1308XN |
CM1309N |
CM1701N CM1706N |
CM1702N |
CM1703N CM1703NM |
CM1704N CM1704NM |
CM1705N |
CM1743N CM1743NM |
OF (Max.) |
350g |
300g |
300g |
350g |
350g |
350g |
350g |
350g |
70g |
160g |
100g |
160g |
10g |
160g |
RF (Min.) |
114g |
50g |
50g |
114g |
114g |
114g |
114g |
114g |
14g |
28g |
22g |
42g |
3g |
42g |
PT (Máx.) |
0,4mm |
4mm |
4mm |
0,4mm |
0,4mm |
0,4mm |
0,4mm |
0,4mm |
10mm |
5mm |
7,1mm |
2,7mm |
20mm |
2,7mm |
OT (Mín.) |
0,13 mm |
1,6 mm |
1,6 mm |
1,6 mm |
1,6 mm |
5,5 mm |
3,58 mm |
3,58 mm |
5,6 mm |
2 mm |
4mm |
2,4 mm |
5,6 mm |
2,4 mm |
MD (Máx.) |
0,05 mm |
1,3 mm |
1,3 mm |
0,05 mm |
0,05 mm |
0,05 mm |
0,05 mm |
0,05 mm |
1,27 mm |
1 mm |
1,02 mm |
0,5 mm |
3 mm |
0,5 mm |
FP (Máx.) |
20,6 mm |
31,8 mm |
28,2 mm |
24,8 mm |
36,5 mm |
32,5 mm |
43,6 mm |
|||||||
OP (mm) |
15,9 ± 0,4 |
17,4 ± 0,8 |
28,6 ± 0,8 |
28,2 ± 0,5 |
21,5 ± 0,5 |
21,8 ± 0,8 |
33.4±1.2 |
33.4±1.2 |
19±0.8 |
19±0.4 |
30.2±0.8 |
30.2±0.4 |
19±0.8 |
43.1±0.8 |