

C4N-8A2MR
◼ Dispositivo de acción forzada de apertura (contactos NC solamente), para desconectar el contacto
cuando el contacto tiene fusión y otras fallas
◼ La estructura de sellado superior reforzada mejora el rendimiento de sellado
◼ El soporte de contacto incorporado tiene acción lenta: 1NC / 1NO y 2NC
Artículo |
Código |
Descripción |
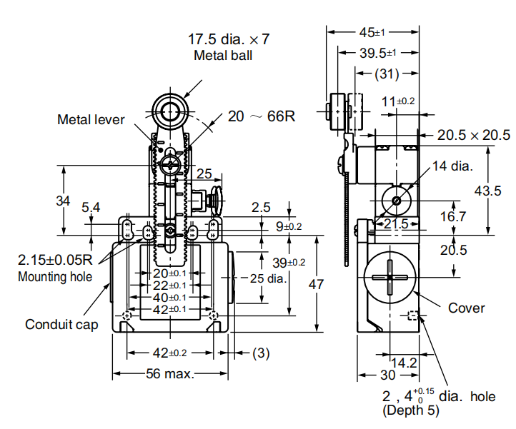
①Tamaño de la tubería / conector |
1 |
Pg13.5 (1 tipo de conducto) |
4 |
M20 (1 tipo de conducto) |
|
5 |
Pg13.5 (2 tipos de conductos) |
|
8 |
M20 (2 tipos de conductos) |
|
② Interruptor incorporado |
A |
1NC/1NO (tipo de acción lenta) |
B |
2NC (tipo de acción lenta) |
|
③Cabeza y varilla de conducción |
20 |
Palanca de rodillo (palanca de resina, bola de resina) |
22 |
Palanca de rodillo (palanca de metal, bola de resina) |
|
25 |
Palanca de rodillo (palanca de metal, bola de metal y resina) |
|
2G |
Palanca de rodillo ajustable, bloqueo de forma (palanca de metal, bola de resina) |
|
2H |
Palanca de rodillo ajustable, bloqueo de forma (palanca de metal, bola de goma) |
|
2M |
Palanca de rodillo ajustable, bloqueo de forma (palanca de metal, bola de resina metálica) |
|
31 |
Tipo de empujador superior |
|
32 |
Tipo de bola de empujador superior |
|
62 |
Tipo de bola de voladizo unilateral (horizontal) |
|
72 |
Tipo de bola de voladizo unilateral (vertical) |
Nivel de protección |
IP66 |
|
Vida útil |
Eléctrico |
Más de 300,000 veces |
Velocidad de operación |
1mm-0.5m/s(C4N-4A20R ) |
|
Frecuencia de operación |
Máx. 30 veces/min |
|
Resistencia de contacto |
25 mΩ o menos |
|
Carga de trabajo mínima |
Carga resistiva de 1mA por debajo de DC5V (valor de referencia estándar N) |
|
Voltaje nominal de aislamiento (Ui) |
300V |
|
Grado de protección contra descargas eléctricas |
Clase II (doble aislamiento) |
|
Grado de contaminación (condiciones de uso) |
Grado de contaminación 3 (EN60947-5-1) |
|
Voltaje soportado (EN60947-5-1) |
Entre terminales homopolares: 2.5kV |
|
Entre terminales heteropolares: 2.5kV |
||
Entre terminales y partes metálicas sin carga: 6kV |
||
Resistencia de aislamiento |
Por encima de 100MΩ |
|
Separación de contacto |
Tipo de acción rápida mínimo de 2×0.5mm,
Tipo de acción lenta mínimo de 2×2mm
|
|
Vibración |
Mal funcionamiento |
10 ~ 55Hz 0.75mm de amplitud única |
Impacto |
Duración |
1,000m/s2 |
Mal funcionamiento |
300m/s2 |
|
Temperatura ambiente |
Uso: -20 ~ +70℃ (sin hielo) |
|
Humedad ambiente |
Menos del 95% de humedad relativa |
|
Peso |
Acerca de 92g (D4N-1A20R) |
Nota 2. Una vez que el contacto se conecta a una carga estándar, no se puede usar para conectar una carga más pequeña. Si es así, el contacto puede resultar en una superficie rugosa, perdiendo así la confiabilidad del contacto.
*1. El nivel de protección se obtiene en base al método de prueba de (EN60947-5-1). Asegúrese de que esté sellado en las condiciones ambientales reales antes de usarlo. La caja del interruptor tiene una estructura resistente al polvo y al aceite, pero debe usarse en lugares sin polvo, aceite y productos químicos. De lo contrario, puede provocar un desgaste prematuro, daños o mal funcionamiento.
*2. La durabilidad es para una temperatura ambiente de 5℃ ~ 35℃ y una humedad del 40% al 70% HR. Para obtener detalles adicionales, contáctenos.
*3. Cuando la temperatura ambiente es superior a 35℃, están prohibidas más de 2 circuitos de cargas de 3A 250VAC.
*4. Los valores variarán con diferentes frecuencias de conmutación, condiciones ambientales, nivel de confiabilidad y otros factores. Confirme la carga real con anticipación.
Mecanismo de desconexión forzada

Modelo |
C4N-□□ 20R |
C4N-□□ 22R |
C4N- □□ 2GR *2 |
C4N-□□ 2HR |
C4N-□□ 31R |
C4N-□□ 32R |
C4N-□□ 62R |
C4N-□□ 72R |
|
LF |
Máx. |
6.45N |
6.45N |
5.6N |
5.4N |
10.8N |
10.8N |
7.5 |
7.9N |
LT |
Máx. |
55° |
55° |
55° |
55° |
4,5 mm |
4,5 mm |
7 mm |
7 mm |
PT1 |
*3 |
18-27° |
18-27° |
18-27° |
18-27° |
2 mm |
2 mm |
4 mm |
4 mm |
PT2 |
*4 |
(44°) |
(44°) |
(44°) |
(44°) |
(2,9 mm) |
(2,9 mm) |
(5,2 mm) |
(4,3 mm) |
OP |
|
-- |
-- |
-- |
-- |
34±0,5 mm |
44,4±0,8 mm |
53±0,8 mm |
27±0,8 mm |
TT |
*5 |
80° |
80° |
80° |
80° |
(6mm) |
(6mm) |
(9mm) |
(9mm) |
DOT |
Mín. *6 |
50° |
50° |
50° |
50° |
3,2mm |
3,2mm |
5,8mm |
5,8mm |
DOF |
Mín.* 6 |
20N |
|
20N |
20N |
20N |
20N |
20N |
20N |
*1. La simultaneidad de la operación ON / OFF de los contactos 2NC tiene diferencias, asegúrese antes de usarlo.
*2. El valor de propiedad cuando la longitud de la palanca es de 32 mm.
*3. Valor PT cuando el contacto NC está en estado abierto (OFF).
*4. Valor común PT cuando el contacto NO está en estado cerrado (ON) (solo para tipos 1NC / 1NO).
*5. Valores de referencia.
*6. Valores de carga y recorrido de la estructura de desconexión forzada. Para garantizar la seguridad, asegúrese de permanecer dentro del rango superior e inferior.